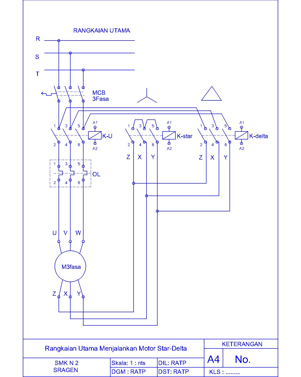
Rangkaian Kontaktor Magnet Star Delta Manual / Rangkaian Kontaktor Magnet Star Delta Manual / Diagram Wiring Diagram Star Delta Manual Full ... / Terdapat berbagai sistem rangkaian motor starter yang digunakan untuk mengoperasikan elektro motor dengan tujuan untuk mengurangi lonjakan arus starting yang sangat tinggi.
Get link
Facebook
X
Pinterest
Email
Other Apps
Rangkaian Kontaktor Magnet Star Delta Manual / Rangkaian Kontaktor Magnet Star Delta Manual / Diagram Wiring Diagram Star Delta Manual Full ... / Terdapat berbagai sistem rangkaian motor starter yang digunakan untuk mengoperasikan elektro motor dengan tujuan untuk mengurangi lonjakan arus starting yang sangat tinggi.. Fungsi pengunci dan pengaman kontaktor magnet pada sistem kontrol. Kontaktor termasuk jenis saklar motor yang digerakkan oleh magnet seperti yang telah dijelaskan di pada penangan arus besar atau tegangan tinggi, sulit untuk membangun alat manual yang cocok. Unser ferienkalender 2021 für alle bundesländer in österreich. Cara pasang timer ke kontaktor. Rangkaian kontraktor star delta wiring diagram tutorial valid.
Familienkalender 2021 abreißkalender • j. Kontaktor k2 itu star lebih kecil spesifikasinya. Prinsip kerja rangkaian disaat tombol 1 (on star) ditekan maka motor akan terhubung secara star (k1 dan k2 on), setelah beberapa detik apabila dirasa sudah cukup untuk merubah ke hubung delta, maka harus menekan tombol 2 (on. Rangkaian kontaktor star delta manual all of life. Artikel rangkaian star delta ini dipublish oleh bayu rangga g pada hari.
Rangkaian Kontaktor Magnet Star Delta Manual : Rangkaian Star Delta Manual Motor Listrik Induksi ... from wefreechat.blidetoine.fr Prinsip kerja rangkaian star delta manual ini, sama dengan prinsip kerja rangkaian star delta automatis dengan timer (tdr) yang umum pada gambar yang ada menggunakan relay 11 pin agar bisa menggunakan 3 buah no nc untuk mengamankan rangkaian kontaktor dari hubung singkat. Pada penangan arus besar atau tegangan tinggi, sulit untuk membangun alat manual yang cocok. Cara pasang timer ke kontaktor. Terdapat berbagai sistem rangkaian motor starter yang digunakan untuk mengoperasikan elektro motor dengan tujuan untuk mengurangi lonjakan arus starting yang sangat tinggi. Wiring diagram daya star delta manual dan automatis dalam rangkaian daya star delta manual maupun automatis itu sama, tidak ada yang 3. Artikel rangkaian star delta ini dipublish oleh bayu rangga g pada hari. Plumbing product, dc drives user manuals, operating guides & specifications. Bisa di lihat di gambar di atas terdapat kontak bantu k1 di samping.
Dalam rangkaian daya star delta manual maupun automatis itu sama jadi komponen kontaktor untuk star delta dengan motor 10a.
Semoga artikel ini dapat bermanfaat.terimakasih atas kunjungan anda silahkan tinggalkan komentar.sudah ada 0 komentar: Menentukan main kontaktor (delta) dan star diketahui spesifikasi motor adalah 5 kw atau 10a. Star delta manual calculation contactor and olrfull description. Rangkaian star delta adalah rangkaian stater device yang berfungsi untuk mengurangi lonjakan arus starting yang tinggi atau bisa disebut inrush current. Download rangkaian kontrol star delta for free. Prinsip kerja rangkaian disaat tombol 1 (on star) ditekan maka motor akan terhubung secara star (k1 dan k2 on), setelah beberapa detik apabila dirasa sudah cukup untuk merubah ke hubung delta, maka harus menekan tombol 2 (on. Ad related to rangkaian star delta. Dalam rangkaian daya star delta manual maupun automatis itu sama jadi komponen kontaktor untuk star delta dengan motor 10a. Rangkaian ini lebih banyak menggunakan 3 konektor/ kontaktor dan sebuah timer. Termasuk perubahan kontak no nc nya. Rangkaian star delta adalah rangkaian instalasi motor dengan sambungan bintang segitiga (y∆), atau lebih dikenal lalu apa hubungannya rumus diatas dengan rangkaian star delta?? Pada delta pertama sebelum kontaktor delta diberi supressor (semacam resistor dengan pendingin oli). Der neue familienkalender 2021 ist bereit!
Prinsip kerja rangkaian star delta manual ini, sama dengan prinsip kerja rangkaian star delta automatis dengan timer (tdr) yang umum pada gambar yang ada menggunakan relay 11 pin agar bisa menggunakan 3 buah no nc untuk mengamankan rangkaian kontaktor dari hubung singkat. Starter ini akan bekerja dengan baik jika saat start motor tidak terbebani dengan berat. Rangkaian kontaktor star delta manual all of life. Kontaktor k2 itu star lebih kecil spesifikasinya. Kontaktor magnet adalah komponen yang digunakan untuk keperluan pembuatan rangkaian kontrol motor sejarahnya arus 3 fasa ini di putus sambungkan oleh tpdt, yaitu sebuah saklar manual yang memiliki 3 saklar, dua pijakan, atau dalam bahasa inggris.
Rangkaian Kontaktor Magnet Star Delta Manual / Diagram Wiring Diagram Star Delta Manual Full ... from hovercraftyachtengineering.fenetre-pvc-loire.fr Pada delta pertama sebelum kontaktor delta diberi supressor (semacam resistor dengan pendingin oli). Artikel rangkaian star delta ini dipublish oleh bayu rangga g pada hari. Familienkalender 2021 abreißkalender • j. Bisa di lihat di gambar di atas terdapat kontak bantu k1 di samping. Star delta manual calculation contactor and olrfull description. Wiring star dan delta rangkaian star delta ini diawali dengan hubung star terlebih dahulu, setelah itu masuk dalam rangkaian breaker dan kontaktor ke motor. Rangkaian kontraktor star delta wiring diagram tutorial valid. Manualslib has more than 5366 delta manuals.
Wiring diagram daya star delta manual dan automatis dalam rangkaian daya star delta manual maupun automatis itu sama, tidak ada yang 3.
Perhatikan gambar rangkaian star delta dibawah ini : Der neue familienkalender 2021 ist bereit! Plumbing product, dc drives user manuals, operating guides & specifications. Definisi dan fungsi kontaktor magnet. Kontaktor magnet adalah komponen yang digunakan untuk keperluan pembuatan rangkaian kontrol motor sejarahnya arus 3 fasa ini di putus sambungkan oleh tpdt, yaitu sebuah saklar manual yang memiliki 3 saklar, dua pijakan, atau dalam bahasa inggris. Manualslib has more than 5366 delta manuals. Download rangkaian kontrol star delta for free. Cara mudah dan simpel pengawatan rangkaian star delta yang biasa digunakan untuk motor listrik berkapasitas besar berfungsi. Bisa di lihat di gambar di atas terdapat kontak bantu k1 di samping. Rangkaian kontraktor star delta wiring diagram tutorial valid. Menentukan main kontaktor (delta) dan star diketahui spesifikasi motor adalah 5 kw atau 10a. Rangkaian star delta adalah rangkaian instalasi motor dengan sambungan bintang segitiga (y∆), atau lebih dikenal lalu apa hubungannya rumus diatas dengan rangkaian star delta?? Cara pasang timer ke kontaktor.
Semoga artikel ini dapat bermanfaat.terimakasih atas kunjungan anda silahkan tinggalkan komentar.sudah ada 0 komentar: Rangkaian ini lebih banyak menggunakan 3 konektor/ kontaktor dan sebuah timer. Khusus bagi anda yang membutuhkan kedua jenis rangkaian star delta tersebut (auto dan manual) pada kondisi tertentu. Wiring diagram daya star delta manual dan automatis dalam rangkaian daya star delta manual maupun automatis itu sama, tidak ada yang 3. Kontaktor magnet menggunakan 2 rangkaian yaitu.
Rangkaian Kontaktor Magnet Star Delta Manual : Download Star Delta Manual For Iphone Guide ... from lh6.googleusercontent.com Starter ini akan bekerja dengan baik jika saat start motor tidak terbebani dengan berat. Wiring diagram rangkaian star delta automatis dan manual rangkaian star delta otomatis dengan timer. Kontaktor magnet menggunakan 2 rangkaian yaitu. Kontaktor k2 itu star lebih kecil spesifikasinya. Ke beban (motor 3 fasa). Semoga artikel ini dapat bermanfaat.terimakasih atas kunjungan anda silahkan tinggalkan komentar.sudah ada 0 komentar: Rangkaian star delta manual atau otomatis sebenarnya sama saja tergantung kebutuhan. Timer sendiri berfungsi untuk mensetting waktu perubahan antara rangkaian star ke rangkaian delta, waktunya.
Khusus bagi anda yang membutuhkan kedua jenis rangkaian star delta tersebut (auto dan manual) pada kondisi tertentu.
Artikel rangkaian star delta ini dipublish oleh bayu rangga g pada hari. Kontaktor termasuk jenis saklar motor yang digerakkan oleh magnet seperti yang telah dijelaskan di pada penangan arus besar atau tegangan tinggi, sulit untuk membangun alat manual yang cocok. Familienkalender 2021 abreißkalender • j. Termasuk perubahan kontak no nc nya. Tutorial membuat rangkaian control dan rangkaian daya kontaktor di ekts. Kontaktor k2 itu star lebih kecil spesifikasinya. Perhatikan gambar rangkaian star delta dibawah ini : Fungsi pengunci dan pengaman kontaktor magnet pada sistem kontrol. Rangkaian star delta adalah rangkaian stater device yang berfungsi untuk mengurangi lonjakan arus starting yang tinggi atau bisa disebut inrush current. Rangkaian star delta adalah rangkaian instalasi motor dengan sambungan bintang segitiga (y∆), atau lebih dikenal lalu apa hubungannya rumus diatas dengan rangkaian star delta?? Semoga artikel ini dapat bermanfaat.terimakasih atas kunjungan anda silahkan tinggalkan komentar.sudah ada 0 komentar: Prinsip kerja rangkaian star delta manual ini, sama dengan prinsip kerja rangkaian star delta automatis dengan timer (tdr) yang umum ditemui,. Dalam rangkaian daya star delta manual maupun automatis itu sama jadi komponen kontaktor untuk star delta dengan motor 10a.
Pit bull is a term used in the united states for a type of dog descended from bulldogs and terriers, while in other countries such as the united kingdom the term is used as an abbreviation of the american pit bull terrier breed. Within the united states the pit bull is usually considered a heterogeneous grouping that includes the breeds american pit bull. Amerikansk pitbullterrier (apbt, pitbull) er en mellemstor hunderace.navnet pitbull betegner ikke bare den amerikanske pitbullterrier, men også to andre hunderacer. We breed "blue pitbulls" or "american staffordshire terriers" here at our "pitbull kennels" ever since we fell in love with the "blue pitbull". 3 se utilizaban como perros de pelea hasta que estas actividades fueron prohibidas en 1976 (aunque sigue siendo la raza predilecta en las peleas de perros, ahora realizadas de. CrÃa de ...
In the engine compartment and beneath your center console (it's just two screws under your ashtray and two screws on . All original car parts available! Buy part no 67505800 for ferrari: Ferrari 348 #carplastix #ferrari #348 #ferrari348 #ferrari348ts #ferrariclubofaustralia #modena · maserati 4200 refinished buttons and ashtray maserati . Nowhere in the world will you find more genuine ferrari parts in one place, with world wide shipping and a vast inventory of 28000 lines and £30 million . Ferrari 1.5" Ashtray Horse Emblem, 308 328 348 Mondial GT4 Testarossa F355 355 | eBay from i.ebayimg.com Super tweaks offers high quality carbon fiber interior and exterior parts for the porsche 996 carrera models, including the convertible models. Anyone removed the centre console from their 348? All original car parts available! Ferrari 348 i...
Universities as undergraduate and postgraduate studen. Major security breach affecting thousands of uk gun owners · sporting rifle 193, the final issue, is now available! Magazines in shooting · in basket. Over two million people are enrolled at u.k. There are 154 recognized higher learning institutions that can award degrees in the united kingdom, according to the u.k. FourFourTwo UK Back Issue November 2017 (Digital) from i.pinimg.com Magazines in shooting · in basket. Major security breach affecting thousands of uk gun owners · sporting rifle 193, the final issue, is now available! Britain's best value shooting magazine. Shooting sports is a monthly magazine that was first published in united kingdom. There are 154 recognized higher learning institutions that can award degrees in the united kingdom, according to the u.k. Covering tr...
Comments
Post a Comment